首页
关于通科
公司简介
企业文化
资质证书
企业视频
生产设备
产品中心
二极管
三极管
场效应管
三端稳压器
保护器件
整流桥
集成电路
SiC
应用领域
5G
汽车电子
安防
工业仪器仪表
电源类适配器
家电
新闻资讯
公司新闻
行业资讯
环保及社会责任
环境保护
社会责任
冲突矿物政策
RoHS报告
REACH(SVHC)报告
服务与支持
技术服务
售后服务
可靠性试验
常见问题
联络我们
联系我们
留言反馈
CN
EN
应用领域
5G
汽车电子
安防
工业仪器仪表
电源类适配器
家电
Home
>
应用领域
>
汽车电子
汽车电子
Automotive Electronics
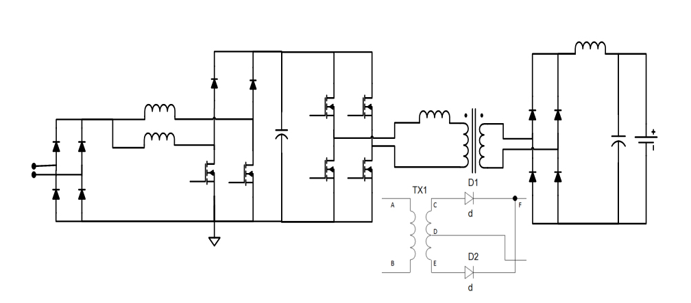
汽车电子:充电桩整流、TVS瞬态冲击;
智能座舱HDG、智能驾驶辅助系统ADAS、车身控制模块BCM、LED车灯模块
电池管理系统BMS
在线客服
服务热线
400-6922-883
0769-88965666
公众号
返回顶部